Chemical Dosing System P Id

Http Www Paskals Com Httpdocs New Paskals 20catalog Chemical 20injection 20packages Pdf

Http Www Paskals Com Httpdocs New Paskals 20catalog Chemical 20injection 20packages Pdf

Piping And Instrumentation Diagram P Id Showing Components Flows And Download Scientific Diagram

Piping And Instrumentation Diagram P Id Showing Components Flows And Download Scientific Diagram

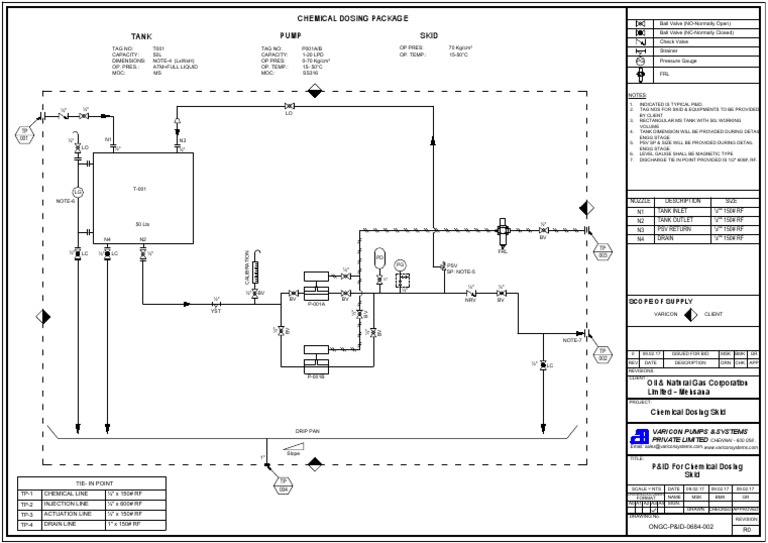
Ongc Mehsana P Id For Chemical Dosing Skid 2 Gases Continuum Mechanics

Ongc Mehsana P Id For Chemical Dosing Skid 2 Gases Continuum Mechanics

S750 Desalination Plant Of 72 Mld

S750 Desalination Plant Of 72 Mld

S300 Desalination Plant Of 21 Mld

S300 Desalination Plant Of 21 Mld

P Id Of Chemical Dosing Systems Phosphate Liquid Ammonia Oxygen Scavenger Oxygen Documents And Forms

P Id Of Chemical Dosing Systems Phosphate Liquid Ammonia Oxygen Scavenger Oxygen Documents And Forms

P Id Of Chemical Dosing Systems Phosphate Liquid Ammonia Oxygen Scavenger Oxygen Documents And Forms

Storage tanks process pipes drain and.

Chemical dosing system p id.

Chemical injection process and it is usually achieved through a pumping system that generally consists of a tank mixing unit pumps as per api 675 pulsation dampner mechanical electrical controls and safety systems. Ifs standard chemical injection systems are predesigned packaged and fully tested for a wide range of liquid chemical treatment applications the complete system includes a chemical storage tank two 100 metering dosing pumps instruments tubing valves calibration column. Chemical dosing injection systems s r metering pumps systems offers design manufacturing of custom made complete skid mounted chemical dosing systems to suit specific needs of customers. Chemical injection feed systems skid mounted modular packages with chemical metering dosing pumps engineered to order.

Use the tabs above to find out more about our offerings or to contact grundfos for further information. I am posting in regards to a typical p id for a dosing pump. The reduction expansion may be removed but presently this has been built. The peristaltic pump was first patented in the united states by rufus porter and j d.

A form of peristaltic pump was described in the mechanics magazine in 1845. The setup is 3 4 sch. A general p id of a cip system is given below. In the dosing process chemical reagents are added into a water stream at a precisely controlled rate with positive displacement metering pumps burt process chemical metering systems have revolutionized the concept of chemical dosing by providing pre engineered and fully.

Chemical dosing unit. Cleaning of the particular chemical system being provided or as specified by the principal or recommended by the chemical supplier and regulatory bodies. Air driven motor driven positive displacement control volume pump api 675. Bradley in 1855 u s.

Dosing systems are used when chemicals injections are necessary into a process as an additive or to maintain boiler and cooling water with proper ph oxygen and conductivity conditions and to avoid scale. Chemical feed systems are designed for automated chemical injection into the chemical feed tank for wastewater treatment. Established over 30 years ago chemical support systems css is a leading specialist in chemical dosing systems for a wide sector of industries including pulp paper water treatment petrochemical pharmaceutical automotive and the food industry. 80 pvc plumbing necks down to 1 2 through a flowmeter then expands to 3 4.

This specification is to be used by designers for all unit chemical dosing projects. The pump used a leather hose which did not need to self open when released by the rollers instead relying on the incoming water having sufficient head to fill the open inlet end on each cycle. A team of experienced and qualified engineers having thorough knowledge of design standards is dedicated exclusively for manufacture of the same.

What Is A Dosing Pump And How Does It Work

What Is A Dosing Pump And How Does It Work

S1001 Desalination Plant Of 150 Mld

S1001 Desalination Plant Of 150 Mld

S1000 Desalination Plant Of 96 Mld

S1000 Desalination Plant Of 96 Mld

Dosing Strong Acid And Caustic Soda

Dosing Strong Acid And Caustic Soda

S1800 Desalination Plant Of 85 Mld

S1800 Desalination Plant Of 85 Mld

Https Itrust Sutd Edu Sg Wp Content Uploads Sites 3 2018 09 Technical Document Swat 210918 V4 Pdf

Https Itrust Sutd Edu Sg Wp Content Uploads Sites 3 2018 09 Technical Document Swat 210918 V4 Pdf

Early Design Assistance For Detailed Specifications Ppchem Ag

Early Design Assistance For Detailed Specifications Ppchem Ag

Dice Ds Suction Lift Dosing Module From Meunier Technologies

Dice Ds Suction Lift Dosing Module From Meunier Technologies

What Are Pump P Id Symbols

What Are Pump P Id Symbols

Ongc P Id For W S Mechanical Engineering Nature

Ongc P Id For W S Mechanical Engineering Nature

Pharmaceutical Water System

Pharmaceutical Water System

Water Handbook Chemical Feed Systems Suez

Water Handbook Chemical Feed Systems Suez

Chemical Injection Packages Metering Skids Pages 1 4 Text Version Fliphtml5

Chemical Injection Packages Metering Skids Pages 1 4 Text Version Fliphtml5

Chemical Dosing Systems

Chemical Dosing Systems

Hypochlorite Generation On Site From Salt Safe And Clean For Food

Hypochlorite Generation On Site From Salt Safe And Clean For Food

Jorin Limited

Jorin Limited

Http Www Pnws Awwa Org Wp Content Uploads 2019 06 4 Best Practices For Sodium Hypochlorite Storage And Metering Systems Pdf

Http Www Pnws Awwa Org Wp Content Uploads 2019 06 4 Best Practices For Sodium Hypochlorite Storage And Metering Systems Pdf

Pharma Water

Pharma Water

Https Encrypted Tbn0 Gstatic Com Images Q Tbn 3aand9gctjvqdd5qzg Vc12y1nzn1bwngyikx8rquarttzwuzbx Yxo Nq Usqp Cau

Https Encrypted Tbn0 Gstatic Com Images Q Tbn 3aand9gctjvqdd5qzg Vc12y1nzn1bwngyikx8rquarttzwuzbx Yxo Nq Usqp Cau

P Id Pumps Piping And Instrumentation Diagram Process Engineering Electrical Symbols

P Id Pumps Piping And Instrumentation Diagram Process Engineering Electrical Symbols

Cooling Tower Heat Transfer Equipment In Process Industry

Cooling Tower Heat Transfer Equipment In Process Industry

Chemical Dosing Systems Dosing Skids Mumbai India

Chemical Dosing Systems Dosing Skids Mumbai India

Solid States Features The Chemical Engineer

Solid States Features The Chemical Engineer

Dice Ds Meunier Technologies

Dice Ds Meunier Technologies

Source : pinterest.com